凸輪轉子泵維修技術要點分析
摘要:凸輪轉子泵是化纖生產中物料(漿料)榆送系統的重要設備,介紹其技術性能、常見故障分析和維修技術要點,為設備通過管道連續…
銷售熱線
021-56082699 56081570
電子郵箱
likaimp@163.com
摘要:凸輪轉子泵是化纖生產中物料(漿料)榆送系統的重要設備,介紹其技術性能、常見故障分析和維修技術要點,為設備通過管道連續…
摘要:在化工領域,考慮到一次投賚成本和維修簡便,很多裝置內輸送物料場合業主習慣選用離心泵的轉子泵型比較多,而轉子泵如螺桿…
隨著生活水平和健康意識的不斷提高,人們對于食品安全的要求也越來越高。在食品及藥品生產過程中越來越多地采用了全自動化控制…
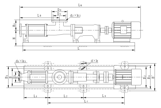
G型不銹鋼單螺桿泵零件少,結構緊湊,體積小,維修簡單,轉子和定子是單螺桿泵的易損件,結構簡單,便于裝拆。是按迥轉嚙合容積式原理工作的泵種。主要工作部件是偏心螺桿(轉子)和固定的襯套(定子)。采用無毒無味的食用橡膠,工作溫度可達120攝氏度,如果采用高溫120攝氏度—350攝氏度時可同本單位聯系。
單螺桿是按迥轉嚙合容積式原理工作的泵種,主要工作部件是偏心螺桿(轉子)和固定的襯套(定子)。
由于該二部件的特殊幾何形狀,分別形成單獨的密封容腔,介質由軸向均勻推行流動,內部流速低,容積保持不變,壓力穩定,因而不會產生渦流和攪動。每級泵的輸出壓力為0.6MPa,揚程60m(清水),自吸高度一般在6m,適用于輸送介質溫度80℃以下(特殊要求可達150℃)。
因定子選用多種彈性材料制成,所以這種泵對高粘度流體的輸送和含有硬質懸浮顆粒介質或含有纖維介質的輸送,有一般泵種所不能勝任的特點。其流量與轉速成正比。
傳動可采用聯軸器直接傳動,或采用調速電機,三角帶,變速箱等裝置變速。
這種泵零件少,結構緊湊,體積小,維修簡便,轉子和定子是本泵的易損件,結構簡單,便于裝拆。
流量:0-150m3/h;
揚程:60-120m;
功率:0.75-37kw;
轉速:500-960r/min;
口徑:20-135MM;
溫度:-15-200℃

固定轉速時的性能參數
| 型號 | 流量 (m3/h) |
壓力 (Mpa) |
允許最 高轉數 (r/min) |
電機 功率 (kw) |
必需汽 蝕余量 (m) |
進口法 |
出口法 蘭通徑 (mm) |
允許顆 粒直徑 (mm) |
允許纖 維長度 (mm) |
|---|---|---|---|---|---|---|---|---|---|
| G20-1 | 0.8 | 0.6 | 960 | 0.75 | 4 | 25 | 25 | 1.5 | 25 |
| G20-2 | 1.2 | 1.5 | |||||||
| G25-1 | 2 | 0.6 | 960 | 1.5 | 32 | 25 | 2 | 30 | |
| G25-2 | 1.2 | 2.2 | |||||||
| G30-1 | 5 | 0.6 | 960 | 2.2 | 50 | 40 | 2.5 | 35 | |
| G30-2 | 1.2 | 3 | |||||||
| G35-1 | 8 | 0.6 | 960 | 3 | 65 | 50 | 3 | 40 | |
| G35-2 | 1.2 | 4 | |||||||
| G40-1 | 12 | 0.6 | 960 | 4 | 80 | 65 | 3.8 | 45 | |
| G40-2 | 1.2 | 5.5 | |||||||
| G50-1 | 20 | 0.6 | 960 | 5.5 | 4.5 | 100 | 80 | 5 | 50 |
| G50-2 | 1.2 | 7.5 | |||||||
| G60-1 | 30 | 0.6 | 720 | 11 | 5 | 125 | 100 | 6 | 60 |
| G60-2 | 1.2 | 15 | |||||||
| G70-1 | 45 | 0.6 | 720 | 11 | 150 | 125 | 8 | 70 | |
| G70-2 | 1.2 | 18.5 | |||||||
| G85-1 | 65 | 0.6 | 630 | 15 | 150 | 150 | 10 | 80 | |
| G85-2 | 1.2 | 30 | |||||||
| G105-1 | 100 | 0.6 | 500 | 30 | 200 | 200 | 15 | 110 | |
| G105-2 | 1.2 | 55 | |||||||
| G135-1 | 150 | 0.6 | 400 | 45 | 250 | 250 | 20 | 150 | |
| G135-2 | 1.2 | 90 |
單級,由齒輪變速、電磁調速電機加齒輪變速或無級變速電機加齒輪變速時的性能參數
| 型號 | 壓力0.3Mpa | 壓力0.6Mpa | 可調轉數 | ||||||
| 轉數(r/min) | 流量(m3/h) | 電動機功率(kw) | 轉數(r/min) | 流量(m3/h) | 電動機功率(kw) | 轉數(r/min) | 流量(m3/h) | 電動機功率(kw) | |
| G20-1 | 960 | 0.96 | 0.75-6級 | 960 | 0.8 | 0.75-6級 | 125~1250 | 0.1~1.5 | 1.1 |
| 720 | 0.8 | 0.55-8級 | 720 | 0.5 | 0.75-8級 | ||||
| 510 | 0.4 | 0.55-4級/齒輪箱 | 510 | 0.3 | 0.75-4級/齒輪箱 | ||||
| G25-1 | 960 | 2.4 | 0.75-6級 | 960 | 2 | 1.5-6級 | 125~1250 | 0.1~3 | 1.5 |
| 720 | 1.5 | 0.55-8級 | 720 | 1.27 | 1.1-8級 | ||||
| 510 | 1.08 | 0.55-4級/齒輪箱 | 510 | 0.9 | 1.1-4級/齒輪箱 | ||||
| G30-1 | 960 | 3.6 | 1.5-6級 | 960 | 3 | 2.2-6級 | 125~1250 | 0.2~4 | 2.2 |
| 720 | 2.28 | 1.1-8級 | 720 | 1.9 | 1.5-8級 | ||||
| 510 | 1.63 | 1.1-4級/齒輪箱 | 510 | 1.35 | 1.5-4級/齒輪箱 | ||||
| G35-1 | 720 | 4.8 | 2.2-8級 | 720 | 4.04 | 3-8級 | 125~890 | 0.3~5 | 3 |
| 510 | 3.36 | 1.5-4級/齒輪箱 | 510 | 2.8 | 2.2-4級/齒輪箱 | ||||
| 380 | 1.92 | 1.1-4級/齒輪箱 | 380 | 1.60 | 1.5-4級/齒輪箱 | ||||
| G40-1 | 510 | 6.8 | 2.2-4級/齒輪箱 | 510 | 5.6 | 3-4級/齒輪箱 | 125~890 | 0.3~10 | 4 |
| 380 | 5.1 | 1.5-4級/齒輪箱 | 380 | 4 | 2.2-4級/齒輪箱 | ||||
| 252 | 2.65 | 1.1-6級/齒輪箱 | 252 | 2.2 | 1.5-6級/齒輪箱 | ||||
| G50-1 | 510 | 13.8 | 4-4級/齒輪箱 | 510 | 11.5 | 5.5-4級/齒輪箱 | 80~750 | 1~18 | 5.5 |
| 380 | 10.2 | 4-4級/齒輪箱 | 380 | 7.5 | 5.5-4級/齒輪箱 | ||||
| 252 | 5.6 | 3-6級/齒輪箱 | 252 | 4.4 | 5.5-6級/齒輪箱 | ||||
| G60-1 | 510 | 20.8 | 7.5-4級/齒輪箱 | 510 | 16 | 11-4級/齒輪箱 | 63~630 | 1~20 | 11 |
| 380 | 15.6 | 7.5-4級/齒輪箱 | 380 | 12 | 11-4級/齒輪箱 | ||||
| 252 | 7.8 | 5.5-6級/齒輪箱 | 252 | 6 | 7.5-6級/齒輪箱 | ||||
| G70-1 | 510 | 26 | 11-4級/齒輪箱 | 510 | 20 | 11-4級/齒輪箱 | 56~560 | 1~22 | 11 |
| 380 | 17 | 7.5-4級/齒輪箱 | 380 | 13 | 11-4級/齒輪箱 | ||||
| 252 | 9.1 | 7.5-6級/齒輪箱 | 252 | 7 | 7.5-6級/齒輪箱 | ||||
| G85-1 | 380 | 32 | 11-4級/齒輪箱 | 380 | 25 | 15-4級/齒輪箱 | 37~370 | 2~24 | 15 |
| 252 | 21 | 7.5-6級/齒輪箱 | 252 | 16 | 11-6級/齒輪箱 | ||||
| 189 | 11 | 5.5-8級/齒輪箱 | 189 | 8 | 11-8級/齒輪箱 | ||||
| G105-1 | 380 | 80 | 15-4級/齒輪箱 | 380 | 65 | 22-4級/齒輪箱 | 29~290 | 3~50 | 22 |
| 252 | 44 | 15-6級/齒輪箱 | 252 | 34 | 22-6級/齒輪箱 | ||||
| 189 | 29 | 11-8級/齒輪箱 | 189 | 22 | 15-8級/齒輪箱 | ||||
| G135-1 | 380 | 132 | 37-4級/齒輪箱 | 380 | 120 | 45-4級/齒輪箱 | 18~180 | 3~56 | 45 |
| 252 | 95 | 30-6級/齒輪箱 | 252 | 80 | 37-6級/齒輪箱 | ||||
| 189 | 65 | 18.5-6級/齒輪箱 | 189 | 53 | 30-8級/齒輪箱 | ||||
雙級,由齒輪變速、電磁調速電機加齒輪變速或無級變速電機加齒輪變速時的性能參數
| 型號 | 壓力0.8Mpa | 壓力1.2Mpa | 可調轉數 | ||||||
| 轉數(r/min) | 流量(m3/h) | 電動機功率(kw) | 轉數(r/min) | 流量m3/h) | 電動機功率(kw) | 轉數r/min) | 流量m3/h) | 電動機功率(kw) | |
| G20-2 | 960 | 0.96 | 1.5-6級 | 960 | 0.8 | 1.5-6級 | 125~1250 | 0.1~1.5 | 1.5 |
| 720 | 0.8 | 1.1-8級 | 720 | 0.5 | 1.5-8級 | ||||
| 510 | 0.4 | 1.1-4級/齒輪箱 | 510 | 0.3 | 1.1-4級/齒輪箱 | ||||
| G25-2 | 960 | 2.4 | 1.5-6級 | 960 | 2 | 2.2-6級 | 125~1250 | 0.1~3 | 2.2 |
| 720 | 1.5 | 1.1-8級 | 720 | 1.27 | 1.5-8級 | ||||
| 510 | 1.08 | 1.1-4級/齒輪箱 | 510 | 0.9 | 1.5-4級/齒輪箱 | ||||
| G30-2 | 960 | 3.6 | 3-6級 | 960 | 3 | 3-6級 | 125~1250 | 0.2~4 | 3 |
| 720 | 2.28 | 1.5-8級 | 720 | 1.9 | 2.2-8級 | ||||
| 510 | 1.63 | 1.5-4級/齒輪箱 | 510 | 1.35 | 2.2-4級/齒輪箱 | ||||
| G35-2 | 720 | 4.8 | 3-8級 | 720 | 4.04 | 4-8級 | 125~890 | 0.3~5 | 4 |
| 510 | 3.36 | 2.2-4級/齒輪箱 | 510 | 2.8 | 3-4級/齒輪箱 | ||||
| 380 | 1.92 | 1.5-4級/齒輪箱 | 380 | 1.60 | 2.2-4級/齒輪箱 | ||||
| G40-2 | 510 | 6.8 | 4-4級/齒輪箱 | 510 | 5.6 | 5.5-4級/齒輪箱 | 125~890 | 0.3~10 | 5.5 |
| 380 | 5.1 | 3-4級/齒輪箱 | 380 | 4 | 4-4級/齒輪箱 | ||||
| 252 | 2.65 | 2.2-6級/齒輪箱 | 252 | 2.2 | 3-6級/齒輪箱 | ||||
| G50-2 | 510 | 13.8 | 5.5-4級/齒輪箱 | 510 | 11.5 | 7.5-4級/齒輪箱 | 80~750 | 1~18 | 7.5 |
| 380 | 10.2 | 4-4級/齒輪箱 | 380 | 7.5 | 5.5-4級/齒輪箱 | ||||
| 252 | 5.6 | 3-6級/齒輪箱 | 252 | 4.4 | 5.5-6級/齒輪箱 | ||||
| G60-2 | 510 | 20.8 | 15-4級/齒輪箱 | 510 | 16 | 15-4級/齒輪箱 | 63~630 | 1~20 | 15 |
| 380 | 15.6 | 11-4級/齒輪箱 | 380 | 12 | 15-4級/齒輪箱 | ||||
| 252 | 7.8 | 7.5-6級/齒輪箱 | 252 | 6 | 11-6級/齒輪箱 | ||||
| G70-2 | 510 | 26 | 15-4級/齒輪箱 | 510 | 20 | 18.5-4級/齒輪箱 | 56~560 | 1~22 | 18.5 |
| 380 | 17 | 11-4級/齒輪箱 | 380 | 13 | 15-4級/齒輪箱 | ||||
| 252 | 9.1 | 11-6級/齒輪箱 | 252 | 7 | 11-6級/齒輪箱 | ||||
| G85-2 | 380 | 32 | 18.5-4級/齒輪箱 | 380 | 25 | 22-4級/齒輪箱 | 37~370 | 2~24 | 22 |
| 252 | 21 | 15-6級/齒輪箱 | 252 | 16 | 18.5-6級/齒輪箱 | ||||
| 189 | 11 | 15-8級/齒輪箱 | 189 | 8 | 15-8級/齒輪箱 | ||||
| G105-2 | 380 | 80 | 30-4級/齒輪箱 | 380 | 65 | 37-4級/齒輪箱 | 29~290 | 3~50 | 37 |
| 252 | 44 | 30-6級/齒輪箱 | 252 | 34 | 30-6級/齒輪箱 | ||||
| 189 | 29 | 22-8級/齒輪箱 | 189 | 22 | 22-8級/齒輪箱 | ||||
| G135-2 | 380 | 132 | 55-4級/齒輪箱 | 380 | 120 | 75-4級/齒輪箱 | 18~180 | 3~56 | 75 |
| 252 | 95 | 55-6級/齒輪箱 | 252 | 80 | 75-6級/齒輪箱 | ||||
| 189 | 65 | 37-8級/齒輪箱 | 189 | 53 | 45-8級/齒輪箱 | ||||
單、雙級水煤漿工作泵的性能參數
| 泵型 | 流量(m3/h) | 工作壓力(Mpa) | 轉數(r/min) | 齒輪減速配套調速電機(kw) |
| G30-2 | ~1 | 1.2 | 30~300 | YCT160/4A-2.2 |
| G35-2 | ~2 | 1.2 | 30~300 | YCT160/4A-2.2 |
| G40-2 | ~3 | 1.2 | 30~280 | YCT160/4A-3 |
| G50-1 | ~4.5 | 0.6 | 28~280 | YCT180/4A-4 |
| G50-2 | ~4.5 | 1.2 | 28~280 | YCT200/4A-5.5 |
| G60-1 | ~6.5 | 0.6 | 25~250 | YCT200/4A-5.5 |
| G60-2 | ~6.5 | 1.2 | 25~250 | YCT200/4B-7.5 |
| G70-1 | ~8 | 0.6 | 25~250 | YCT200/4B-7.5 |
| G85-1 | ~12.5 | 0.6 | 18~180 | YCT225/4A-11 |
| G105-1 | ~20 | 0.6 | 14~140 | YCT225/4B-15 |
| G135-1 | ~35 | 0.6 | 10~100 | YCT250/4B-22 |
說明: 1.以上性能參數是常溫清水試驗時的試驗數據; 2.對于不同的介質、不同的轉速,性能參數都將變化,其流量值與濃度、粘度成反比,與轉速成正比; 3.用戶必須根據使用要求、輸送介質的狀況、選型原則選擇泵的類型,或者和本公司技術部門協商來決定G型單螺桿泵的類型。 4.對于水煤漿泵傳動形式為齒輪調速配套電磁調速電機或機械無級變速電機,流量隨轉速變化無級可調。
G型螺桿泵結構緊湊,體積小,維修簡便。對介質的適應性強,流量平穩,壓力脈動小,自吸能力高。工作溫度可達120℃,如果需輸送120℃-350℃高溫介質,可定做。廣泛用于食品、冶金、造紙、印染、化工、化肥、制藥等工業部門。

上一條: G型齒輪變速螺桿泵