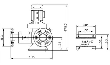
凸輪轉子泵維修技術要點分析
摘要:凸輪轉子泵是化纖生產中物料(漿料)榆送系統的重要設備,介紹其技術性能、常見故障分析和維修技術要點,為設備通過管道連續…
銷售熱線
021-56082699 56081570
電子郵箱
likaimp@163.com
摘要:凸輪轉子泵是化纖生產中物料(漿料)榆送系統的重要設備,介紹其技術性能、常見故障分析和維修技術要點,為設備通過管道連續…
摘要:在化工領域,考慮到一次投賚成本和維修簡便,很多裝置內輸送物料場合業主習慣選用離心泵的轉子泵型比較多,而轉子泵如螺桿…
隨著生活水平和健康意識的不斷提高,人們對于食品安全的要求也越來越高。在食品及藥品生產過程中越來越多地采用了全自動化控制…
計量范圍:0-460L/H
壓力承受范圍:0-50MPa
驅動方式:電機驅動
控制方式:手動、自動控制
配置方式:泵頭保溫、冷卻、電機可配防爆
| 泵頭部位材料 | 工作條件 |
|---|---|
| 計量泵頭:SUS304、SUS316 | 環境溫度: -30℃ ---90℃ |
| 計量閥: SUS304、SUS316 | 電機: 二相、三相標準電機或防爆電機 |
| 閥球: 二氧化硅、SUS304、SUS316、陶瓷、氧化鋯 | 功率:0.75KW 1.1KW 1.5KW |
| 密封: 聚四氟乙烯 | 防護等級:IP55 |
| 型號 | 流量(L/H) | 壓力(Mpa) | 柱塞直徑(mm) | 行程(mm) | 泵速(mm) | 電機功率(kw) | 進出口徑(DN) | 重量(kg) |
| J-Z 6/40 | 6 | 40 | 8 | 25 | 96 | 0.75 | 6 | 42 |
| J-Z 6/32 | 6 | 32 | 0.55 | |||||
| J-Z 10/25 | 10 | 25 | 10 | 0.75 | ||||
| J-Z 10/20 | 10 | 20 | 0.55 | |||||
| J-Z 15/20 | 15 | 20 | 12 | 0.75 | ||||
| J-Z 15/16 | 15 | 16 | 0.55 | |||||
| J-Z 25/10 | 25 | 10 | 16 | 0.75 | ||||
| J-Z 25/8.0 | 25 | 8.0 | 0.55 | |||||
| J-Z 40/8.0 | 40 | 8.0 | 20 | 0.75 | ||||
| J-Z 40/6.3 | 40 | 6.3 | 0.55 | |||||
| J-Z 60/5.0 | 60 | 5.0 | 25 | 0.75 | 10 | 45 | ||
| J-Z 65/4.0 | 65 | 4.0 | 0.55 | |||||
| J-Z 80/4.0 | 80 | 4.0 | 28 | 0.75 | ||||
| J-Z 80/2.5 | 80 | 2.5 | 0.55 | |||||
| J-Z 100/4.0 | 100 | 4.0 | 32 | 0.75 | ||||
| J-Z 110/2.5 | 110 | 2.5 | 0.55 | |||||
| J-Z 130/2.3 | 130 | 2.3 | 35 | 0.75 | ||||
| J-Z 130/1.7 | 130 | 1.7 | 0.55 | |||||
| J-Z 160/2.0 | 160 | 2 | 38 | 0.75 | 15 | 50 | ||
| J-Z 160/1.5 | 160 | 1.5 | 0.55 | |||||
| J-Z 190/1.6 | 190 | 1.6 | 42 | 0.75 | ||||
| J-Z 190/1.2 | 190 | 1.2 | 0.55 | |||||
| J-Z 270/1.1 | 270 | 1.1 | 50 | 0.75 | ||||
| J-Z 270/0.8 | 270 | 0.8 | 0.55 | |||||
| J-Z 330/1.0 | 330 | 1.0 | 55 | 0.75 | ||||
| J-Z 330/0.6 | 330 | 0.6 | 0.55 | |||||
| J-Z 400/1.0 | 400 | 1.0 | 60 | 0.75 | ||||
| J-Z 400/0.5 | 400 | 0.5 | 0.55 | |||||
| J-Z 470/0.6 | 470 | 0.6 | 65 | 0.75 | ||||
| J-Z 470/0.4 | 470 | 0.4 | 0.55 |

上一條: J-ZR型柱塞式計量泵
下一條: 2J-X型柱塞式計量泵